






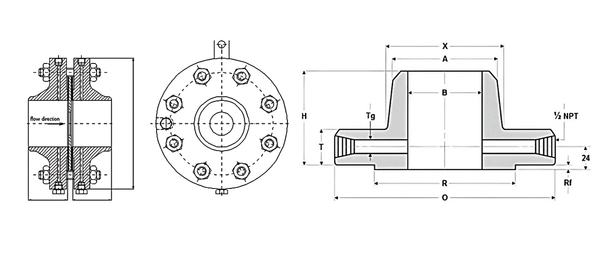
Orifice flanges are one of the economical means of measuring flow. They are crucial elements in piping systems, positioned between pipe sections. The orifice flange contains an orifice plate made of 316 stainless steel between the tailpiece and thread piece of the union.
An orifice plate with a bore is used for flow control and flow reduction. The orifice plate can be bored to spec or left blank. The pairs of pressure are typically on 2 sides, directly opposite each other, and are machined into the orifice flange. This makes separate orifice carriers or tappings in the pipe wall unnecessary.
Orifice flanges constructed from durable materials like carbon or stainless steel, ensure longevity and reliability in diverse operational conditions. They play a vital role in applications requiring precise flow rates. Are widely utilized in industries such as: chemicals and petrochemicals, Liquefied natural gas facilities, power, flow-control systems generation, etc.
Introduction
|
Standard |
ASME B16.5, ASME B16.36, ASME B16.47,MSS-44, API605, API6a, EN1092-1, DIN 2527, DIN2573, DIN 2575, DIN 2560, DIN 2631, DIN 2632, DIN 2633, DIN 2634, DIN 2635, DIN 2636, DIN 2637, DIN 2673, DIN 2652, DIN 2653, DIN 2655m DIN 2656, DIN 2641, DIN 2642, DIN 2502, DIN2503, DIN 2565, DIN 2566, DIN 2567, DIN 2568, DIN 2569, DIN 2627, DIN 2628, DIN2629, DIN 2638, DIN 243, DIN 2544, DIN 2545, DIN 28115, DIN 28117, DIN 2558, DIN 2561, DIN 86029, DIN 86057, BS 1560, BS 4504-3.1, GOST12820, GOST12821, JIS B2220, JIS B2201. etc. |
|
Material |
1020, 1045, 16Mn,25CrMo,42CrMo, SS304, SS316, 17-4,Brass Ms58, Alu 6061,etc |
|
Surface |
The surface treatment is normally blackening; Polishing |
|
Type |
Die Forging/Free Forging, CNC Machining |
|
size |
1"-24" |
|
Delivery time |
Within 5-30 days after receiving the prepaid |
|
Packing |
Carton Box or Wooden Box |
|
Application |
Mainly used in the mining, metallurgical, cement, chemicals, construction, building materials, electric power, telecommunications, textiles, and transportation departments. |

Class 300
|
NPS |
Outer Dia. |
Flange Thick. |
Hub OD |
Weld Neck OD |
Welding Neck Length |
RF Dia. |
RF Height |
BOLT |
Orifice Hole dia |
No of Bolts |
DIA STUD BOLTS |
RF Stud Length |
Hole Size |
ISO Stud Size |
Weight in kg |
|
- |
O |
T |
X |
A |
H |
R |
- |
- |
Tg |
- |
- |
- |
- |
- |
- |
|
1 |
125 |
36.6 |
54 |
33.4 |
81 |
50.8 |
2 |
88.9 |
6.4 |
4 |
5/8 |
125 |
3/4 |
M16 |
4.5 |
|
1 ½ |
155 |
36.6 |
70 |
48.3 |
84 |
73 |
2 |
114.3 |
6.4 |
4 |
3/4 |
135 |
7/8 |
M20 |
6.5 |
|
2 |
165 |
36.6 |
84 |
60.3 |
84 |
92.1 |
2 |
127 |
6.4 |
8 |
5/8 |
125 |
3/4 |
M16 |
7 |
|
2 ½ |
190 |
36.6 |
100 |
73 |
87 |
104.8 |
2 |
149.2 |
6.4 |
8 |
3/4 |
135 |
7/8 |
M20 |
7.5 |
|
3 |
210 |
36.6 |
117 |
88.9 |
87 |
127 |
2 |
168.3 |
9.5 |
8 |
3/4 |
135 |
7/8 |
M20 |
9.4 |
|
4 |
255 |
36.6 |
146 |
114.3 |
90 |
157.2 |
2 |
200 |
12.7 |
8 |
3/4 |
135 |
7/8 |
M20 |
13.2 |
|
6 |
320 |
36.6 |
206 |
168.3 |
98 |
215.9 |
2 |
269.9 |
12.7 |
12 |
3/4 |
135 |
7/8 |
M20 |
14.6 |
|
8 |
380 |
39.7 |
260 |
219.1 |
110 |
269.9 |
2 |
330.2 |
12.7 |
12 |
7/8 |
145 |
1 |
M24 |
30 |
|
10 |
445 |
46.1 |
321 |
273 |
116 |
323.8 |
2 |
387.3 |
12.7 |
16 |
1 |
165 |
11/8 |
M27 |
41 |
|
12 |
520 |
49.3 |
375 |
323.8 |
129 |
381 |
2 |
450.8 |
12.7 |
16 |
11/8 |
180 |
11/4 |
M30 |
62 |
|
14 |
585 |
52.4 |
425 |
355.6 |
141 |
412.8 |
2 |
514.4 |
12.7 |
20 |
11/8 |
185 |
11/4 |
M30 |
84 |
|
16 |
650 |
55.6 |
483 |
406.4 |
144 |
469.9 |
2 |
571.5 |
12.7 |
20 |
11/4 |
195 |
13/8 |
M33 |
111 |
|
18 |
710 |
58.8 |
533 |
457 |
1557 |
533.4 |
2 |
628.6 |
12.7 |
24 |
11/4 |
205 |
13/8 |
M33 |
138 |
|
20 |
775 |
62 |
587 |
508 |
160 |
584.2 |
2 |
685.8 |
12.7 |
24 |
11/4 |
215 |
13/8 |
M33 |
171 |
|
24 |
915 |
68.3 |
702 |
610 |
167 |
692.2 |
2 |
812.8 |
12.7 |
24 |
11/2 |
240 |
15/8 |
M39 |
247 |
Class 600
|
NPS |
Outer Dia. |
Flange Thick. |
Hub OD |
Weld Neck OD |
Welding Neck Length |
RF Dia. |
RF Height |
BOLT |
Orifice Hole dia |
No of Bolts |
DIA STUD BOLTS |
RF Stud Length |
Hole Size |
ISO Stud Size |
Weight in kg |
|
- |
O |
T |
X |
A |
H |
R |
- |
- |
Tg |
- |
- |
- |
- |
- |
- |
|
1 |
125 |
36.6 |
54 |
33.5 |
81 |
50.8 |
7 |
88.9 |
6.4 |
4 |
5/8 |
125 |
3/4 |
M16 |
5.5 |
|
1 ½ |
155 |
36.6 |
70 |
48.3 |
84 |
73 |
7 |
114.3 |
6.4 |
4 |
3/4 |
135 |
7/8 |
M20 |
7.8 |
|
2 |
165 |
36.6 |
84 |
60.3 |
84 |
92.1 |
7 |
127 |
6.4 |
8 |
5/8 |
125 |
3/4 |
M16 |
8.3 |
|
2 ½ |
190 |
36.6 |
100 |
73 |
87 |
104.8 |
7 |
149.2 |
6.4 |
8 |
3/4 |
135 |
7/8 |
M20 |
10.8 |
|
3 |
210 |
36.6 |
117 |
88.9 |
87 |
127 |
7 |
168.3 |
9.5 |
8 |
3/4 |
135 |
7/8 |
M20 |
12.6 |
|
4 |
275 |
38.1 |
152 |
114.3 |
102 |
157.2 |
7 |
215.9 |
12.7 |
8 |
7/8 |
150 |
1 |
M24 |
19 |
|
6 |
355 |
47.7 |
222 |
168.3 |
117 |
215.9 |
7 |
292.1 |
12.7 |
12 |
1 |
180 |
11/8 |
M27 |
37 |
|
8 |
420 |
55.6 |
273 |
219.1 |
133 |
269.9 |
7 |
349.2 |
12.7 |
12 |
11/8 |
195 |
11/4 |
M30 |
53 |
|
10 |
510 |
63.5 |
343 |
273 |
152 |
323.8 |
7 |
431.8 |
12.7 |
16 |
11/4 |
220 |
13/8 |
M33 |
86 |
|
12 |
560 |
66.7 |
400 |
323.8 |
156 |
381 |
7 |
489 |
12.7 |
20 |
11/4 |
230 |
13/8 |
M33 |
102 |
|
14 |
605 |
69.9 |
432 |
355.6 |
165 |
412.8 |
7 |
527 |
12.7 |
20 |
13/8 |
240 |
11/2 |
M36 |
150 |
|
16 |
685 |
76.2 |
495 |
406.4 |
178 |
469.9 |
7 |
603.2 |
12.7 |
20 |
11/2 |
260 |
15/8 |
M39 |
190 |
|
18 |
745 |
82.6 |
546 |
452.2 |
184 |
533.4 |
7 |
654 |
12.7 |
20 |
15/8 |
280 |
13/4 |
M42 |
240 |
|
20 |
815 |
88.9 |
610 |
508 |
190 |
584.2 |
7 |
723.9 |
12.7 |
24 |
15/8 |
300 |
13/4 |
M42 |
295 |
|
24 |
940 |
101.6 |
718 |
609.6 |
203 |
692.2 |
7 |
838.2 |
12.7 |
24 |
17/8 |
335 |
2 |
M48 |
365 |
Class 900
|
NPS |
Outer Dia. |
Flange Thick. |
Hub OD |
Weld Neck OD |
Welding Neck Length |
RF Dia. |
RF Height |
BOLT |
Orifice Hole dia |
No of Bolts |
DIA STUD BOLTS |
RF Stud Length |
Hole Size |
ISO Stud Size |
Weight in kg |
|
- |
O |
T |
X |
A |
H |
R |
- |
- |
Tg |
- |
- |
- |
- |
- |
- |
|
1 |
150 |
38.1 |
52 |
33.5 |
83 |
50.8 |
7 |
101.6 |
6.4 |
4 |
7/8 |
150 |
1 |
M24 |
5.4 |
|
1 ½ |
180 |
38.1 |
70 |
48.3 |
89 |
73 |
7 |
123.8 |
6.4 |
4 |
1 |
160 |
11/8 |
M27 |
7.8 |
|
2 |
215 |
38.1 |
105 |
60.3 |
102 |
92.1 |
7 |
165.1 |
6.4 |
8 |
7/8 |
150 |
1 |
M30 |
11..5 |
|
2 ½ |
245 |
41.3 |
124 |
73 |
105 |
104.8 |
7 |
190.5 |
6.4 |
8 |
1 |
165 |
11/8 |
M27 |
15.8 |
|
3 |
240 |
38.1 |
127 |
88.9 |
102 |
127 |
7 |
190.5 |
9.5 |
8 |
7/8 |
150 |
1 |
M24 |
22 |
|
4 |
290 |
44.5 |
159 |
114.3 |
114 |
157.2 |
7 |
235 |
12.7 |
8 |
11/8 |
180 |
11/4 |
M30 |
22 |
|
6 |
380 |
55.6 |
235 |
168.3 |
140 |
215.9 |
7 |
317.5 |
12.7 |
12 |
11/8 |
195 |
11/4 |
M30 |
70 |
|
8 |
470 |
63.5 |
298 |
219.1 |
162 |
269.9 |
7 |
393.7 |
12.7 |
12 |
13/8 |
230 |
11/2 |
M36 |
119 |
|
10 |
545 |
69.9 |
368 |
273 |
184 |
323.8 |
7 |
469.9 |
12.7 |
16 |
13/8 |
240 |
11/2 |
M36 |
204 |
|
12 |
610 |
79.4 |
419 |
323.8 |
200 |
381 |
7 |
533.4 |
12.7 |
20 |
13/8 |
260 |
11/2 |
M36 |
303 |
|
14 |
640 |
85.8 |
451 |
355.6 |
213 |
412.8 |
7 |
558.8 |
12.7 |
20 |
11/2 |
280 |
15/8 |
M39 |
400 |
|
16 |
705 |
88.9 |
508 |
406.4 |
216 |
469.9 |
7 |
616 |
12.7 |
20 |
15/8 |
290 |
13/4 |
M42 |
510 |
|
18 |
785 |
101.9 |
565 |
457.2 |
229 |
533.4 |
7 |
685.8 |
12.7 |
20 |
17/8 |
330 |
2 |
M48 |
738 |
|
20 |
855 |
108 |
622 |
508 |
248 |
584.2 |
7 |
749.3 |
12.7 |
20 |
2 |
355 |
21/8 |
M52 |
932 |
|
24 |
1040 |
139.7 |
749 |
609.6 |
292 |
692.2 |
7 |
901.7 |
12.7 |
20 |
21/2 |
445 |
25/8 |
M64 |
1511 |
Class 1500
|
NPS |
Outer Dia. |
Flange Thick. |
Hub OD |
Weld Neck OD |
Welding Neck Length |
RF Dia. |
RF Height |
BOLT |
Orifice Hole dia |
No of Bolts |
DIA STUD BOLTS |
RF Stud Length |
Hole Size |
ISO Stud Size |
Weight in kg |
|
- |
O |
T |
X |
A |
H |
R |
- |
- |
Tg |
- |
- |
- |
- |
- |
- |
|
1 |
150 |
38.1 |
52 |
33.5 |
83 |
50.8 |
7 |
101.6 |
6.4 |
4 |
7/8 |
150 |
1 |
M24 |
5.4 |
|
1 ½ |
180 |
38.1 |
70 |
48.3 |
89 |
73 |
7 |
123.8 |
6.4 |
4 |
1 |
160 |
11/8 |
M27 |
7.8 |
|
2 |
215 |
38.1 |
105 |
60.3 |
102 |
92.1 |
7 |
165.1 |
6.4 |
8 |
7/8 |
150 |
1 |
M24 |
11.5 |
|
2 ½ |
245 |
41.3 |
124 |
73 |
105 |
104.8 |
7 |
190.5 |
6.4 |
8 |
1 |
165 |
11/8 |
M27 |
15.8 |
|
3 |
265 |
47.7 |
133 |
88.9 |
117 |
127 |
7 |
203.2 |
9.5 |
8 |
11/8 |
185 |
11/4 |
M30 |
22 |
|
4 |
310 |
54 |
162 |
114.3 |
124 |
157.2 |
7 |
241.3 |
12.7 |
8 |
11/4 |
205 |
13/8 |
M33 |
22 |
|
6 |
395 |
82.6 |
229 |
168.3 |
171 |
215.9 |
7 |
317.5 |
12.7 |
12 |
13/8 |
265 |
11/2 |
M36 |
70 |
|
8 |
485 |
92.1 |
292 |
219.1 |
213 |
269.9 |
7 |
393.7 |
12.7 |
12 |
15/8 |
300 |
13/4 |
M42 |
119 |
|
10 |
585 |
108 |
368 |
273 |
254 |
323.8 |
7 |
482.6 |
12.7 |
12 |
17/8 |
345 |
1 |
M48 |
204 |
|
12 |
675 |
123.9 |
451 |
32.8 |
283 |
381 |
7 |
571.5 |
12.7 |
16 |
2 |
380 |
21/8 |
M52 |
303 |
|
14 |
750 |
133.4 |
495 |
355.6 |
298 |
412.8 |
7 |
635 |
12.7 |
16 |
21/4 |
415 |
23/8 |
M56 |
400 |
|
16 |
825 |
146.1 |
552 |
406.4 |
311 |
469.9 |
7 |
704.8 |
12.7 |
16 |
21/2 |
450 |
25/8 |
M64 |
510 |
|
18 |
915 |
162 |
597 |
457.2 |
327 |
533.4 |
7 |
774.7 |
12.7 |
16 |
23/4 |
500 |
27/8 |
M72 |
738 |
|
20 |
985 |
177.8 |
641 |
508 |
356 |
584.2 |
7 |
831.8 |
12.7 |
16 |
3 |
545 |
31/8 |
M76 |
932 |
|
24 |
1170 |
203.2 |
762 |
609.6 |
406 |
692.2 |
7 |
990.6 |
12.7 |
16 |
31/2 |
620 |
35/8 |
M90 |
1511 |
Class 2500
|
NPS |
Outer Dia. |
Flange Thick. |
Hub OD |
Weld Neck OD |
Welding Neck Length |
RF Dia. |
RF Height |
BOLT |
Orifice Hole dia |
No of Bolts |
DIA STUD BOLTS |
RF Stud Length |
Hole Size |
ISO Stud Size |
Weight in kg |
|
- |
O |
T |
X |
A |
H |
R |
- |
- |
Tg |
- |
- |
- |
- |
- |
- |
|
1 |
160 |
38.1 |
57 |
33.5 |
92 |
50.8 |
7 |
108 |
6.4 |
4 |
7/8 |
150 |
1 |
M24 |
6.5 |
|
1 ½ |
205 |
44.5 |
79 |
48.3 |
111 |
73 |
7 |
146 |
6.4 |
4 |
11/8 |
180 |
11/4 |
M30 |
13 |
|
2 |
235 |
50.8 |
95 |
60.3 |
127 |
92.1 |
7 |
171.4 |
6.4 |
8 |
1 |
185 |
11/8 |
M27 |
19 |
|
2 ½ |
265 |
57.2 |
114 |
73 |
143 |
104.8 |
7 |
196.8 |
6.4 |
8 |
11/8 |
205 |
11/4 |
M30 |
24 |
|
3 |
305 |
66.7 |
133 |
88.9 |
168 |
127 |
7 |
228.6 |
9.5 |
8 |
11/4 |
230 |
13/8 |
M33 |
43 |
|
4 |
355 |
76.2 |
165 |
114.3 |
190 |
157.2 |
7 |
273 |
12.7 |
8 |
11/2 |
260 |
15/8 |
M39 |
66 |
|
6 |
485 |
108 |
235 |
168.3 |
273 |
215.9 |
7 |
368.3 |
12.7 |
8 |
2 |
350 |
21/8 |
M52 |
172 |
|
8 |
550 |
127 |
305 |
219.1 |
318 |
269.9 |
7 |
438.2 |
12.7 |
12 |
2 |
385 |
21/8 |
M52 |
261 |
|
10 |
675 |
165.1 |
375 |
273 |
419 |
323.8 |
7 |
539.8 |
12.7 |
12 |
21/2 |
490 |
25/8 |
M64 |
485 |
|
12 |
760 |
184.2 |
441 |
32.8 |
464 |
381 |
7 |
619.1 |
12.7 |
12 |
23/4 |
540 |
27/8 |
M72 |
730 |

Xinhang Special Material Co., Ltd. Hangzhou Branch is famous China Precise Flow Control Stainless Steel Orifice Flange For Liquid And Gas suppliers and OEM/ODM Precise Flow Control Stainless Steel Orifice Flange For Liquid And Gas manufacturers, founded in 2007 and moved to Longyou Economic Development Zone, Zhejiang Province, in 2022. It covers an area of 130,000 square meters, more than 30 production lines, 300 workers, 20 R&D people, 30 inspection people and an annual output of 50,000 tons.
It has passed ISO9001:2008 quality management system, PED 97/23/EC EU Pressure Equipment Directive certification, China Special Equipment Manufacturing License (Pressure Tube) TS certification, ASME certification, provincial enterprise standardization management system, ISO14000:2004 environment management system, cleaner production (green enterprise), and a series of certifications, as well as China Classification Society (CCS), American Bureau of Shipping (ABS), British Register of Shipping (LR), Deutsche Veritas (GL), Bureau Veritas Society (BV), Det Norske Veritas (DNV), and Korean Register of Shipping (KR) factory certification.
The main products include stainless steel pipes, pipe fittings, flanges, valves, etc., which are widely used in petroleum, chemical industry, nuclear industry, smelting, shipbuilding, pharmaceuticals, food, water conservancy, electric power, new energy, mechanical equipment, and other fields. The company adheres to the corporate tenet of "quality for survival, reputation for development" and wholeheartedly serves every customer to create a win-win situation.





Introduction to Stainless Steel Jewelry Stainless steel has become a popular material for jewelry due to its durability, versatility, and affordability. Beyond its aesthetic appeal, there are claims t...
View MoreIntroduction to Stainless Steel Grades Stainless steel is a widely used material, known for its resistance to corrosion and strength. Among the most common types of stainless steel are 18/0, 18/8, and...
View MoreUnderstanding Stainless Steel Shear Strength Shear strength refers to a material's ability to resist forces that cause it to shear or slide along a plane. For stainless steel, shear strength is an ess...
View MoreWe'll never share your email address and you
can opt out at any time, we promise.